Novinky
19.01.2022
ZMENY CIEN
Z dôvodu neustále sa meniacich cien od našich dodavateľov, sa môže stať, že niektoré ceny budú neaktuálne.
V prípade objednávky takéhoto produktu, vá...
čítať celé
- Úvod
- INŠTALÁCIA
- PPR Nátrubok - prechodka plastová s prevlečenou maticou 20x3/4"
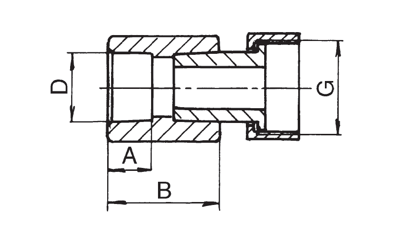
PPR Nátrubok - prechodka plastová s prevlečenou maticou 20x3/4"
- Kompletné špecifikácie
- Komentáre 0
PPR Nátrubok - prechodka plastová s prevlečenou maticou 20x3/4"do 1 týždňa2,29 €/ ks1,86 € bez DPH
Kompletné špecifikácie
Tvarovka nachádzajúca uplatnenie pri prechode zo zváranej časti rozvodu vody alebo kúrenia na mosadzné rozoberateľné spoje.
Tovar zaradený v kategóriách

